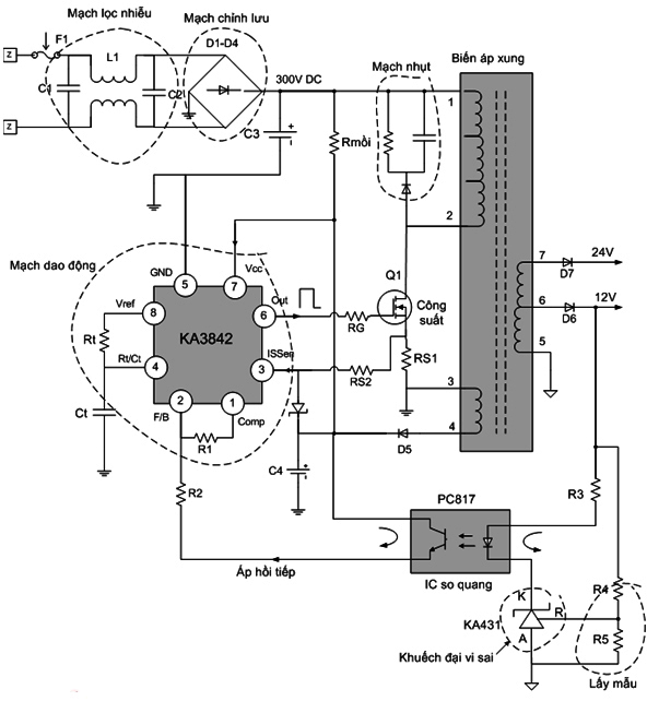
1.4. Phân tích nguyên lý hoạt động của khối nguồn sử dụng IC dao động kết hợp với đèn công suất Mosfet.
![]() |
| Hình 13 - Sơ đồ nguyên lý của khối nguồn sử dụng IC dao động và đèn công suất |
![]() |
| Hình 14 - Các mạch chính của khối nguồn. |
1.4.1. Mạch lọc nhiễu và chỉnh lưu:
- Cầu chì F1 có chức năng bảo vệ quá dòng khi nguồn có sự cố chạm chập.
- Mạch lọc nhiễu gồm các linh kiện C1, L1 và C2 có nhiệm vụ cản trở nhiễu cao tần bám theo đường dây không để chúng xâm nhập vào bên trong máy.
- Điện trở hạn dòng RT có tác dụng hạn chế dòng điện nạp vào tụ khi mới bật nguồn, nếu đấu tắt RT thì nguồn sẽ hay bị nổ cầu chì khi mới bật nguồn.
- Cầu đi ốt D1-D4 có nhiệm vụ chỉnh lưu đổi điện áp AC thành điện áp DC cung cấp cho nguồn xung.
- Tụ lọc nguồn C3 sẽ lọc cho điện áp DC bằng phẳng trước khi cấp cho nguồn xung hoạt động.
1.4.2. Mạch tạo ra điện áp thứ cấp:
Để tạo ra điện áp thứ cấp thì nguồn xung cần phải biến đổi được điện áp DC thành điện áp biến thiên chạy qua cuộn sơ cấp biến áp, để thực hiện được điều đó trên các mạch nguồn LCD người ta thường sử dụng cặp IC dao động kết hợp với đèn công suất.
- IC dao động có chức năng tạo ra xung điện PWM để điều khiển đèn công suất hoạt động. ngắt mở, đồng thời thực hiện chức năng ổn định điện áp ra thông qua mạch hồi tiếp và thực hiện các chức năng bảo vệ thông qua mạch cảm biến điện áp và dòng điện.
- Đèn công suất thực hiện đóng mở theo điều khiển của IC dao động tạo thành dòng điện biến thiên chạy qua cuộn sơ cấp biến áp, để thay đổi điện áp ra người ta thay đổi thời gian đóng ngắt của đèn hoặc thay đổi nội trở của đèn. Nếu mạch nguồn sử dụng xung PWM thì nó sẽ thay đổi thời gian ngắt mở của đèn, nếu mạch nguồn sử dụng xung PAM thì nó sẽ thay đổi nội trở của đèn.
![]() |
| Hình 16 - Mạch dao động và công suất của khối nguồn có chức năng tạo ra điện áp thứ cấp |
- Khi có điện áp 300V DC đi vào mạch, một dòng điện nhỏ đi qua điện trở mồi Rmồi (68K) đi vào cấp nguồn cho chân Vcc (7), do có tụ điện C4 mắc ở chân Vcc nên điện áp không tăng đột ngột mà tăng dần đến khi điện áp đạt ngưỡng 8V (với IC dán) hoặc 12V với IC thường thì mạch Reset (trong IC) sẽ khởi động cho IC hoạt động.
- Điện trở Rt và tụ Ct mắc ở chân (4) sẽ xác lập tần số dao động ra của IC.
- Điện áp chân hồi tiếp F/B (Feed Back) và chân Comp (Composistion) sẽ xác lập biên độ dao động ra.
- IC cho xung điện ra ở chân Out (6), xung điện sẽ được đưa đến chân G của đèn Mosfet Q1.
- Đèn Mosfet sẽ hoạt động ngắt mở theo nhịp của xung điện ở tần số khoảng
50KHz tạo thành dòng điện biến thiên chạy qua cuộn sơ cấp 1-2 của biến áp xung.
- Dòng điện biến thiên chạy qua cuộn sơ cấp 1-2 tạo ra từ trường biến thiên cảm ứng lên cuộn 5-6-7 bên thứ cấp và cho ta điện áp ra, sau đó các điện áp ra được
chỉnh lưu thành DC trước khi cấp cho các phụ tải.
- Đồng thời trên cuộn hồi tiếp 3-4 cũng xuất hiện điện áp cảm ứng, điện áp này được chỉnh lưu thành DC rồi cho hồi tiếp về chân Vcc để ổn định nguồn cấp cho IC, một nhánh điện áp hồi tiếp cũng được sử dụng để cấp nguồn cho mạch hồi
tiếp so quang.
Ý nghĩa của các chân của IC dao động KA3842
- Chân 1 (Comp) Composistion là chân hồi tiếp dương, điện áp chân 1 tỷ lệ thuận với biên độ dao động ra.
- Chân 2 (F/B) Feed Back là chân nhận áp hồi tiếp âm, điện áp chân 2 tỷ lệ nghịch với biên độ dao động ra, chân này được sử dụng để điều khiển điện áp ra.
- Chân 3 (ISSEN) là chân cảm biến dòng, khi chân này có điện áp bằng hoặc cao hơn 0,6V thì IC sẽ cho ngắt dao động ra, chân này được sử dụng để thiết kế mạch bảo vệ quá dòng và quá áp.
- Chân 4 (Rt/Ct) là chân tạo dao động, điện trở Rt và tụ Ct bám vào chân 4 sẽ
quyết định tần số dao động của mạch, khi nguồn đang hoạt động tuyệt đối không
được đo trực tiếp vào chân 4 vì điều đó có thể gây hỏng đèn công suất do dao động ra bị sai.
- Chân 5 (GND) là chân tiếp Mass
- Chân 6 (Out) là chân dao động ra
- Chân 7 (Vcc) là chân cấp nguồn cho IC, chân này có điện áp nuôi là 8 đến 12V với IC chân dán hoặc từ 12 đến 14V với IC chân thường.
- Chân 8 (Vref) là chân điện áp chuẩn, điện áp này do IC tạo ra khoảng 5V để cấp nguồn cho mạch dao động.
1.4.3. Mạch giữ cho điện áp ra ổn định.
- Ở các mạch trên có chức năng tạo ra điện áp thứ cấp nhưng không có chức năng ổn định điện áp, điện áp ra sẽ tăng hay giảm khi điện áp vào thay đổi hoặc khi dòng tiêu thụ thay đổi.
- Để giữ cho điện áp ra không đổi khi điện áp vào thay đổi hoặc khi dòng tiêu thụ tahy đổi người ta thiết kế mạch hồi tiếp so quang, mạch gồm các linh kiện sau đây:
- Từ điện áp thứ cấp người ta trích lấy một điện áp (gọi là áp lấy mẫu) thông qua cầu phân áp bằng điện trở ( như R4, R5 trên mạch).
- Dùng IC khuếch đại vi sai KA431 để khuếch đại điện áp lấy mẫu làm tăng độ nhạy.
- Dùng IC so quang để truyền sự biến đổi về điện áp từ bên thứ cấp về IC dao động bên sơ cấp nhưng vẫn cách ly được điện áp.
![]() |
| Hình 17 - Mạch hồi tiếp so quang làm nhiệm vụ giữ cho điện áp ra cố định khi điện áp vào thay đổi hoặc khi dòng tiêu thụ thay đổi. |
- Giả sử khi điện áp vào (Uvào) tăng lên
=> Khi đó điện áp ra (Ura) sẽ có xu hướng tăng theo.
=> Điện áp lấy mẫu (U lấy mẫu) cũng tăng (một lượng nhỏ)
=> Điện áp U lấy mẫu tăng một lượng nhỏ và được IC- KA431 khuếch đại thành dòng điện tăng đáng kể chạy qua đi ốt so quang.
=> Dòng qua đi ốt trong IC so quang tăng => khiến dòng qua đèn so quang tăng
=> Dòng qua đèn so quang tăng làm cho điện áp chân số 2 (chân F/B) của IC tăng lên.
=> Khi áp chân F/B tăng làm cho biên độ dao động ra giảm xuống
=> Đèn công suất hoạt động yếu đi khiến cho điện áp ra giảm xuống về vị trí cũ
- Khi điện áp vào (U vào) giảm thì quá tŕnh diễn ra ngược lại.
=> Điện áp ra có xu hướng giảm
=> Điện áp lấy mẫu giảm
=> Dòng điện qua IC- KA431 giảm
=> Dòng điện qua đi ốt trong IC so quang giảm => Dòng điện qua đèn trong IC so quang giảm => Điện áp hồi tiếp về chân 2 (F/B) giảm
=> IC điều chỉnh cho biên độ dao động ra tăng lên => Đèn công suất hoạt động mạnh hơn
=> Điện áp ra tăng trở lại vị trí cũ
=> Kết quả là điện áp ra được giữ cố định trong khi điện áp vào có sự thay đổi. Nếu đặt đồng hồ cực nhậy để đo điện áp đầu vào và đầu ra thì ta sẽ thấy sự biến động điện áp của hai bên như Hình dưới đây.
1.4.4. Các mạch bảo vệ.
![]() |
| Hình 18 - Khi có mạch hồi tiếp so quang thì sự biến động của điện áp ra không đáng kể trong khi điện áp vào có sự biến động rất lớn. |
a) Mạch bảo vệ quá áp.
Khi có một sự hư hỏng bất kỳ ở mạch hồi tiếp khiến cho điện áp hồi tiếp về chân F/B bị mất (ví dụ: đứt R4 hoặc hỏng KA431 hoặc hỏng PC817), khi đó IC dao động KA3842 sẽ cho ra xung điện có biên độ cực đại => đèn công suất hoạt động mạnh và kết quả là điện áp ra tăng lên rất cao (có thể tăng gấp 3 đến 4 lần giá trị ban đầu) và gây nguy hiểm cho các mạch phụ tải.
Vì vậy trên mạch nguồn người ta phải thiết kế các mạch bảo vệ quá áp để bảo
vệ phụ tải trong các trường hợp trên, mạch được thiết kế theo nhiều dạng nhưng về nguyên tắc chung là khi điện áp tăng lên khoảng 30% là nguồn sẽ ngắt dao động.
* Cách 1: Bảo vệ quá áp bằng cách đưa điện áp về chân ISSEN để ngắt dao động ra khi nguồn có sự cố mất hồi tiếp.
Thông thường đi ốt Zener có điện áp cao hơn điện áp hồi tiếp khoảng 30%
![]() |
| Hình 19 - Mạch bảo vệ quá áp sử dụng đi ốt Zener mắc ngược từ điện áp hồi tiếp về chân ISSEN |
Khi nguồn hoạt động bình thường thì không có dòng điện đi qua điốt, khi nguồn có sự cố khiến cho điện áp ra tăng cao, do trên cùng một biến áp nên điện áp hồi tiếp cũng tăng theo tỷ lệ tương ứng, nếu điện áp hồi tiếp tăng quá điện áp của Dz thì sẽ có dòng ngược đi qua Dz về chân ISSEN để ngắt dao động.
* Cách 2: Làm mất điện áp chân hồi tiếp dương (Composistion) khi nguồn có sự cố mất hồi tiếp.
Ở cách 2 thì người ta dùng đi ốt có điều khiển Thiristor để thiết kế mạch bảo vệ quá áp
- Thiristor được đấu từ chân Composistion (1) xuống mass, từ điện áp hồi tiếp đấu qua đi ốt Zener sang điều khiển chân G của Thiristor.
- Khi nguồn bị mất hồi tiếp, điện áp ra tăng cao và điện áp hồi tiếp cũng tăng theo, khi áp hồi tiếp tăng quá điện áp của Dz thì sẽ có dòng đi qua Dz vào chân G của
Thiristor điều khiển cho Thiristor dẫn => chân Composistion bị mất điện áp => và khi đó biên độ dao động ra giảm xuống thấp (vì chân 1 có điện áp tỷ lệ thuận với biên độ xung dao động ra).
![]() |
| Hình 20 - Mạch bảo vệ quá áp sử dụng Thiristor và đi ôt Zener |
- Khi nguồn bị mất điện áp hồi tiếp so quang => điện áp ra tăng cao => mạch bảo vệ quá áp hoạt động và ngắt dao động => điện áp ra lại mất => mạch hoạt động trở lại và lại cho ra điện áp cao, quá tŕnh này lặp đi lặp lại khiến cho điện áp ra bị dao động, nếu đo bằng đồng hồ vạn năng thì thấy điện áp ra cao hơn điện áp quy định và kim đồng hồ dao động lên xuống, nếu có đèn báo nguồn thì đèn báo chớp sáng khoảng 1 giây một nhịp.
b) Mạch bảo vệ quá dòng.
![]() |
| Hình 21 - Khi hỏng một trong các linh kiện của mạch hồi tiếp thì ta đo thấy điện áp ra cao và tự kích. |
Khi các tải tiêu thụ có sự cố chạm chập hoặc bị chập đi ốt chỉnh lưu đầu ra, khi đó dòng tiêu thụ tăng mạnh, đèn công suất bị quá tải và chết sau vài giây. Để bảo vệ đèn công suất và các linh kiện của mạch nguồn bên sơ cấp thì bộ nguồn cần phải thiết kế mạch bảo vệ quá dòng, mạch được thiết kế như sau:
![]() |
| Hình 22 - Mạch bảo vệ quá dòng |
Khi nguồn hoạt động bình thường thì sụt áp trên Rs khoảng 0,2V
Khi nguồn chập tải, sụt áp trên Rs (tức là điện áp Us) tăng lên, khi điện áp này tăng quá 0,6V thì IC sẽ ngắt dao động ra.
* Hiện tượng khi nguồn bị chập phụ tải:
- Khi chập phụ tải, dòng tiêu thụ tăng cao, dòng làm việc của đèn công suất tăng mạnh, sụt áp trên điện trở Rs tăng lên và sụt áp này được đưa về chân ISSEN để ngắt dao động, khi ngắt dao động thì đèn công suất không dẫn, mất điện áp đưa về chân ISSEN và mạch hoạt động trở lại, quá tŕnh này lặp đi lặp lại và trở thành tự kích, nếu đo điện áp ra thấy điện áp ra thấp và kim dao động.















